KAVAN unašeč vrtule PRO 2809-2813

nedostupné
Zákaznická linka 9-18 hod.: +420 774 590 258 | Potřebujete pomoci?
Cena v e-shopu s DPH: | 620 Kč |
Skladem
Zítra 24.10. můžete mít na centrální prodejně Nademlejnská Pondělí 27.10. může být u Vás |
|
|
Koupit |
Koupit | |
Prodloužená doba na vrácení na 30 dní! |
Výrobce: | Kavan | |
Kód zboží: | KAV30.2004 | |
EAN: | 8596450022423 | |
včetně Recyklačního poplatku: | 1 Kč | |
Nevíte si rady s výběrem? Nejsou Vám některé parametry jasné? Napište nám Váš dotaz a my Vás s odpovědí kontaktujeme.
Poslat dotazStřídavý elektromotor s rotačním pláštěm pro modely letadel. Pohonná jednotka je vhodná pro větroně do hmotnosti 220 g, trenéry do hmotnosti 220 g, akrobaty do hmotnosti 180 g a 3D akrobaty do hmotnosti 130 g. Napájení: LiXX 2S, průměr hřídele: 3,0 mm, průměr gumičkového unašeče: 5,5 mm, alternativní označení podle rozměrů statoru: 2202-2300.
Motory Kavan PRO jsou vysokovýkonné bezkomutátorové (střídavé neboli brushless) čtrnáctipólové elektromotory s rotačním pláštěm (outrunner) s vynikajícími elektrickými vlastnostmi, propracovanou konstrukcí a špičkovým výrobním zpracováním. Hřídele z tvrzené oceli a kvalitní ložiska zajišťují vysokou životnost. Jakostní materiály použité pro zhotovení statoru i rotoru zaručují rovněž výborné výkonové parametry při vysoké účinnosti. Jsou to nízkootáčkové motory s velkým kroutícím momentem zvládající vrtule o velkém průměru i stoupání bez potřeby převodovky.
Kavan PRO 2809-2300
Kavan PRO 2809-2300 je malý střídavý motor učený pro pohon malých modelů s letovou hmotností do 220 g. S jeho pomocí můžete úspěšně elektrifikovat např. gumáčky ze stavebnic Guillow's nebo Dumas s rozpětím křídla do cca 1000 mm, výborný je i pro park-flyery. Doporučené vrtule pro 2S akumulátory: 6×3" až 7×3,5".
Montáž motoru
Kavan PRO 2809-2300 je konstruován pro zadní montáž. Při montáži motoru použijte nejméně dva (protilehlé), ideálně pak čtyři šrouby M2. Motorová přepážka by měla být vyrobena z 1–1,5mm letecké překližky. Upevňovací kříž je dodáván spolu s motorem.
Obsah balení
Balení obsahuje střídavý motor Kavan PRO 2809-2300 s kabely bez konektorů a příslušenství gumičkového unašeče. Úplný návod k obsluze motoru si můžete stáhnout zde: Střídavé motory Kavan PRO – Návod k obsluze.
Systém označování motorů: PRO xxYY-zzzz:
Napájení LiXX článků | 2 |
Otáčky na volt [ot/min/V] | 2300 |
Max. výkon (180 s) [W] | 60 |
Proud naprázdno (10 V) [mA] | 400 |
Max. špičkový proud (180 s) [A] | 8,5 |
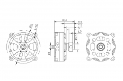
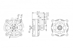
Průměr [mm] | 28 |
Délka skříně motoru [mm] | 8,9 |
Délka celková [mm] | 18,4 |
Průměr hřídele [mm] | 3 |
Hmotnost [g] | 15 |
Počet pólů | 14 |
Časování [°] | 15–25 |
Regulátor [A] | 8–12 |
Větroň do hmotnosti [g] | 220 |
Trenér do hmotnosti [g] | 220 |
Akrobat do hmotnosti [g] | 180 |
3D do hmotnosti [g] | 130 |
1 položka
Tato webová stránka používá cookies
Za účelem zkvalitnění našich služeb používáme na této stránce soubory cookies. Pro více informací přejděte na Podmínky pro používání internetových stránek.